
Čerpadla GRUNDFOS ALPHA2 (s funkcí AUTOADAPT)
jsou moktoběžná čerpadla určená do otopných systém pro cirkulaci topné vody. Tato čerpadla jsou nástupcem čerpadel GRUNDFOS UPS avšak s velmi nízkou spotřebou elektrické energie. Návratnost čerpadel je cca za 1,5 roku.
Topná soustava rodinného domu má na svědomí až 48% roční spotřeby elektrické energie. Výměnou stávajícího oběhového čerpadla za nové čerpadlo s vysokou účinností mohou provozovatelé uspořit ročně i přes 2 500,- Kč za čerpadlo! Čerpadla umožní nahradit jakékoli stávající čerpadlo s připojovací roztečí 180mm.
Vlastnosti a výhody:
- nízká spotřeba energie - energetická třída A (min. 3W)
- unikátní regulační funkce AUTOADAPT
- funkce nočního redukovaného provozu
- ukazatel aktuální spotřeby el. energie
- rotor z permanentního magnetu
- snadná instalace
- bezúdržbový provoz
- nízká úroveň hluku
- široký rozsah použití
- uživatelsky přívětivý ovládací panel
- připojení napájecího napětí pomocí nástrčného konektoru ALPHA
Max. tlak systému: 10 barů
Teplota média: +2 až +110 °C
Krytí: IP 42
Napětí: 1 x 230 V/50 Hz
Vlhkost vzduchu: max. 95%
Teplota okolí: 0°C až +40°C
Hladina akustického tlaku: max. 43 dB(A)
Externí motorová ochrana: nevyžaduje se
Tepelně-izolační kryty: jako příslušenství
Energetická třída: A
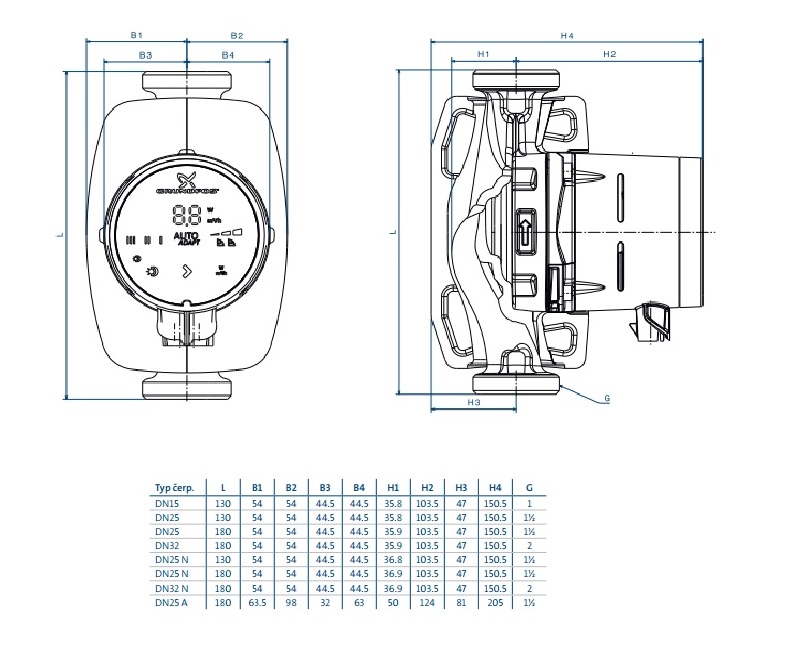
Rozměry čerpadla:
L1 - rozteč připojení 180 mm
Rozměry: