VYTÁPĚCÍ SYSTÉMY, KOTELNY, ZTI
  MĚŘENÍ A REGULACE (MaR)
     FOTOVOLTAIKA
SERVIS A REVIZE KOTLŮ, DETEKTORY     

Přihlášení/Registrace

   host (nepřihlášen)
  • Prodejní sklad

  • Prodejní sklad

Nahoru
Přidej do oblíbených..

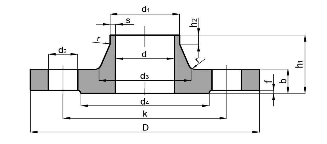
Příruba krková DN50


238,40 Kč
197,02 Kč bez DPH
DPH: 21 %
Množství:
ks

Příruby slouží ke spojení trubek a s ostatními částmi potrubí a zařízení na něž potrubí navazuje.
Příruby jsou části rozebíratelného spojení pro výměnu částí potrubí nebo zařízení.













Tisk karty
Mám otázku..
Zavřít

Váš dotaz na zboží Příruba krková DN50

Jméno:*
Telefon:*
Email:*
Předmět:*
Váš dotaz :  
Povinné položky*